Внутрішньопідлоговий електричний конвектор Carrera SEV 250.1000.90 Electro 220 + вентилятор – це готовий до монтажу опалювальний прилад, призначення для обігріву приміщень з вітражним склінням, без підключення його до централізованої системи водяного опалення.
Для моделі Carrera SEV 250.1000.90 Electro 220 з вентилятором – в теплообміннику використовується електричні нагрівальні елементи з напругою 220В, які вмонтовані в повністю алюмінієві пластини, для більш ефективного теплообміну. Кожен теплообмінник проходить тестування і вихідний контроль на виробництві.
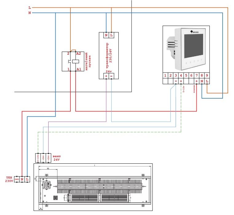
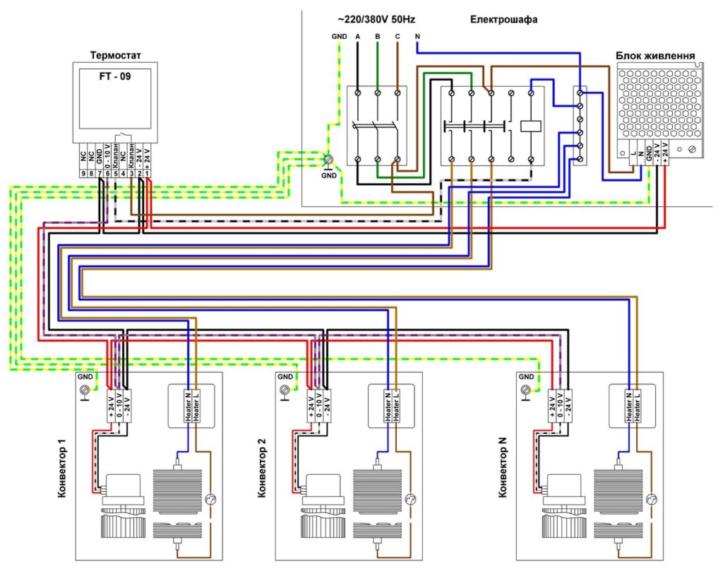
Електро теплообмінник Carrera встановлюється в корпус разом з вентиляторною системою і встановлюється в одному модульному блоці, для максимально продуктивної роботи. Також конвектори SEV укомплектовані енергоефективними моторами з двигунами живленням 24 вольт з можливістю плавного регулювання діапазону роботи, що дає можливість ефективно та безшумно обігрівати приміщення, створювати комфорт з максимальною зручністю та простотою управління за допомогою термостатів Carrera FT.
Деталі корпуса конвектора зроблені з високоякісної листової сталі (Inox з нержавіючої сталі на вимогу). Дана модель має можливість виготовлення корпусу як з нержавіючої сталі так і з жорсткого алюмінієвого корпусу з товщиною стінки 2 мм (і пофарбувати його в будь-який колір палітри RAL). Складові частини пофарбовані зносостійким порошковим покриттям чорного кольору, що робить непомітними всі компоненти конвектора під решіткою















